검색
x
소개(Company)
인사말(Greeting)
등록 및 인증(Registration and Certification)
사업(Business)
제품(Product)
고객지원(Support)
공지사항(Notice)
갤러리(Gallery)
다운로드(Download)
CONTACT
온라인문의(Online Inquiries)
오시는길(Address)
소개(Company)
SD일렉 [(주)삼현화학]
인사말(Greeting)
등록 및 인증(Registration and Certification)
등록 및 인증
SD일렉 [(주)삼현화학]
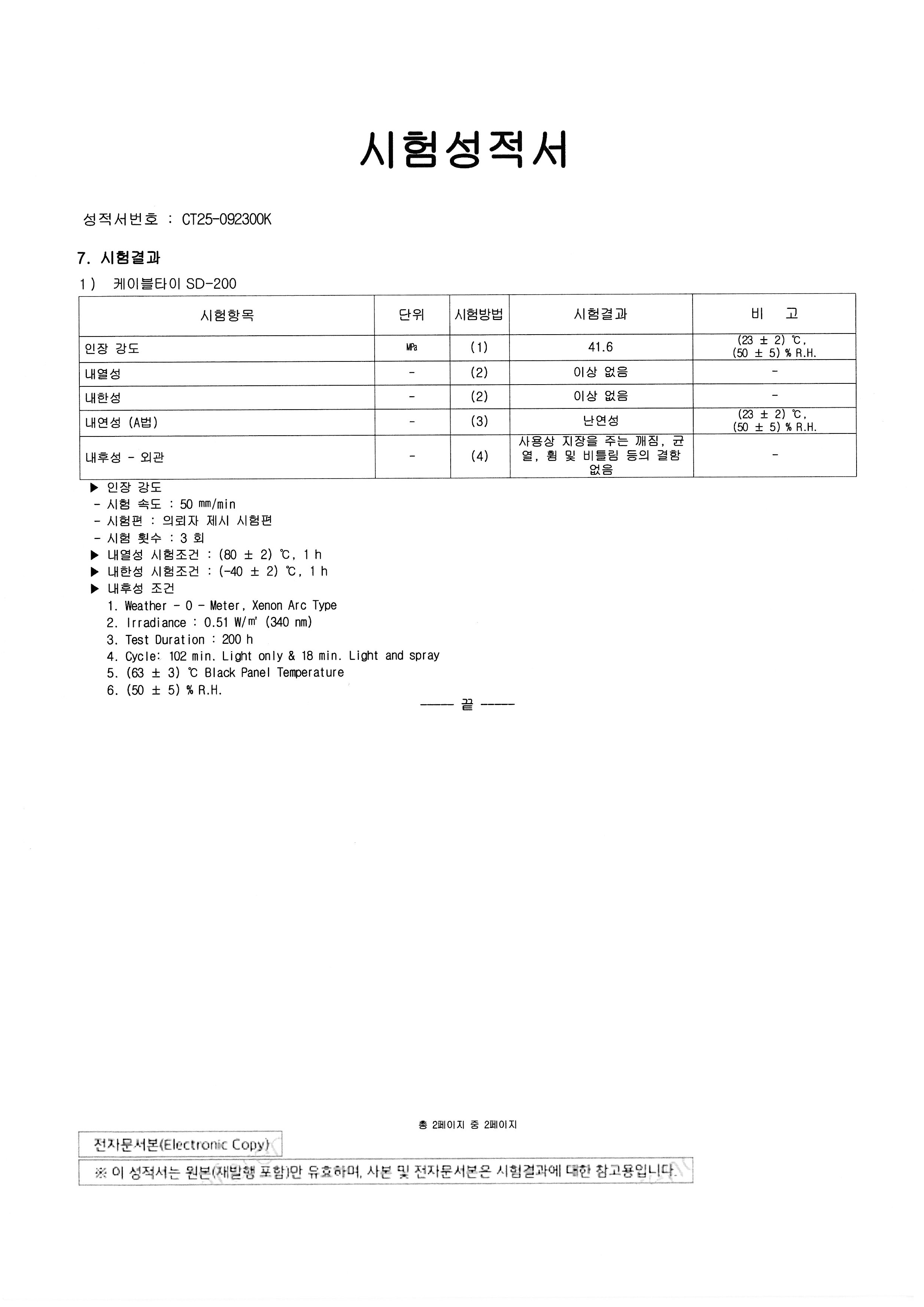
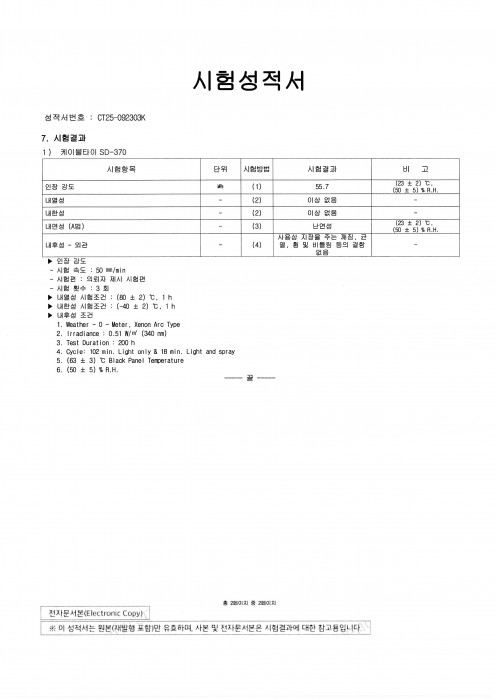
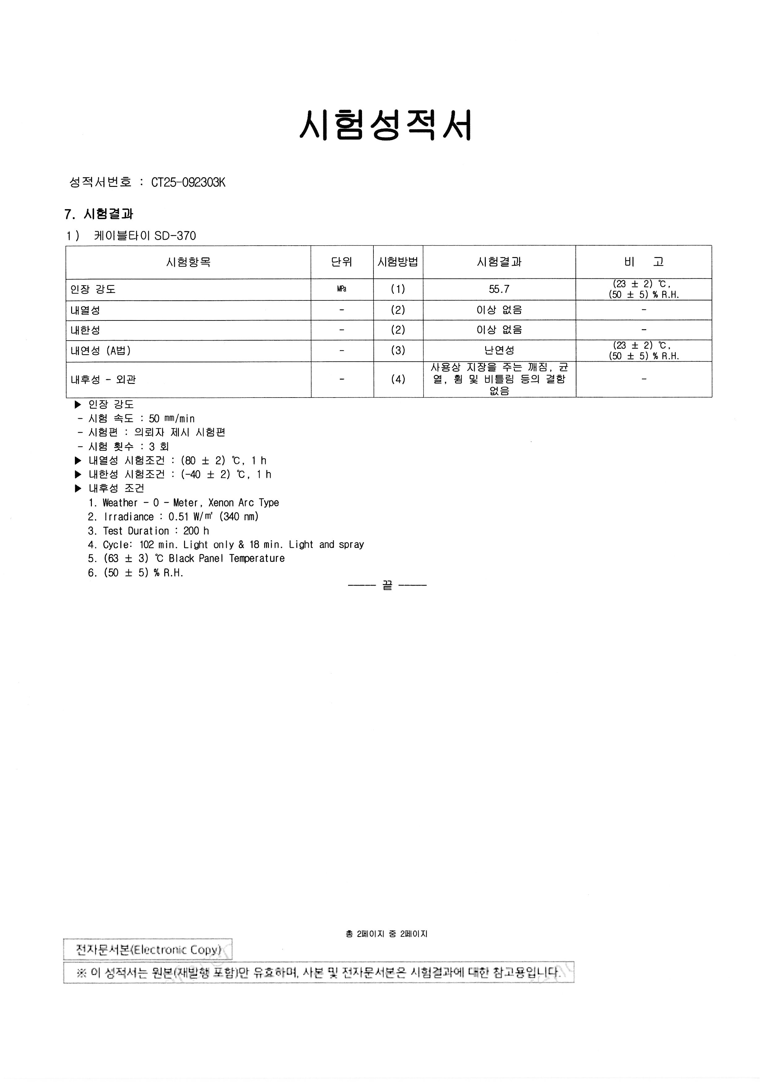
원료 성적서(Raw material report)
검색
검색대상
제목
내용
제목+내용
검색어
필수
검색
닫기
Scroll